精密電流互感器的應用有哪些?
國電中星電力設備有限公司專業生產電力測試設備、電力計量設備等,本文要說的精密電流互感器也是國電中星生產的設備之一,下面一起了解一下精密電流互感器有哪些應用。

一、交流電流的測量
設備是否運行在額定電流值,設置電流測量裝置是必要的技術措施。有關規定 40KW 以上的設備,必須裝設電流表進行監控。 交流電流的測量有直接測量和經電流互感器擴大測量的方式。 直接測量就是將適當的電 流表串接電流回路上。而下圖所示電路均為經電流互感器接入式測量。

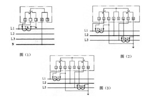
1、采用一臺電流互感器 電流互感器測量三相平衡線路中的電流,如圖1。電流互感器選擇的是以電流表量程依據,而電流表的量程則是根據負載電流的實際值 應占電流表總量程的 2/3 至滿度值之間。比如一臺設備額定電流為 100A,則選擇滿度值為 150A 的電流表。此時電流互感器的互感比則應選 150/5A,電流表也相應選比值為 150/5A 的電流表。讀數時則以表指 電流表也相應選比值為讀數時則以表指示值直讀。
2、采用二臺電流互感器,接成不完全星形,用以測量三相平衡或不平衡線路中的三相電流,如圖2。
3、采用三臺電流互感器 接成完全星形接法,用以測量三相平衡或不平衡線路中的三相電流,如圖3。
二、交流電度的測量
為了擴大交流電度表的量程,工廠最常用的是采用電流互感器的方法來擴大量程。

圖(1)是采用單相電度表加電流互感器的測量方法。可用于測量三相平衡或單相電度計量。
圖(2)是采用二元件三相三線有功電度表,加二個電流互感器的測量方法。可用于測量三相平衡或不平衡線路中的電度計量。
圖(3)是采用三相四線有功電度表,加三個電流互感器的測量方法。可測量三相 平衡或不平衡線路中的電度計量。
三、電力拖動線路中的保護
電力拖動線路中的保護、大功率電動機中的過載保護,往往由于電流大,而無法購到相應的熱繼電器,在這樣的 情況下,一般采用加裝電流互感器 電流互感器的方法來解決。其實質是將大電流變換成小電流用 5A 以內的熱繼電器足可滿足過載保護的要求。

圖a:電流互感器用于大功率自耦降壓啟動,電動機中的過載保護。
圖b:電流互感器用于大功率頻敏變阻器啟動,電動機中的過載保護。
圖c:電流互感器用于大功率星-角降壓啟動,電動機中的過載保護。
想要獲取更多關于精密電流互感器的相關信息,盡情關注國電中星電力設備有限公司官網,國電中星電力檢測設備種類多,型號全,歡迎采購。
上一篇:精密電流互感器使用注意事項
下一篇:精密電流互感器如何選型?
027-65526006
027-65526007
在線客服